Назначение:
Предназначена для установки в распределительных щитах, шкафах автоматики и управления и служит для подключения переносного светильника или электрического инструмента малой мощности во время профилактических и ремонтных работ в электрической сборке по месту установки.
Материалы:
Материал корпуса: полиамид 66;
Материал контактов: сплав медь (фосфористая бронза);
Материал крышки: пластик;
Материал крепежных болтов: сталь Q195.
Преимущества:
Класс огнестойкости корпуса V2;
Удобное крепление на DIN-рейку.| НАИМЕНОВАНИЕ ПАРАМЕТРА | ЗНАЧЕНИЕ | ETIM ID |
|---|---|---|
| Код класса ETIM | EC001663 | |
| Бренд | HLT ELECTRIC | |
| Страна происхождения | КИТАЙ | |
| Тип напряжения | AC (перемен.) | EF000187 |
| Вариант монтажа | На DIN-рейку | |
| Количество полюсов | 2P+PE | |
| Модель/исполнение | С заземляющим контактом | EF000010 |
| Номин. ток, А | 16 | EF000227 |
| Номин. напряжение, В | 230 | EF000228 |
| Модульная ширина (общ. кол-во модульных расстояний) | 2.5 | EF002950 |
| Количество розеток | 1 | EF000336 |
| Со шторками (защита от прикосновения) | Да | EF000389 |
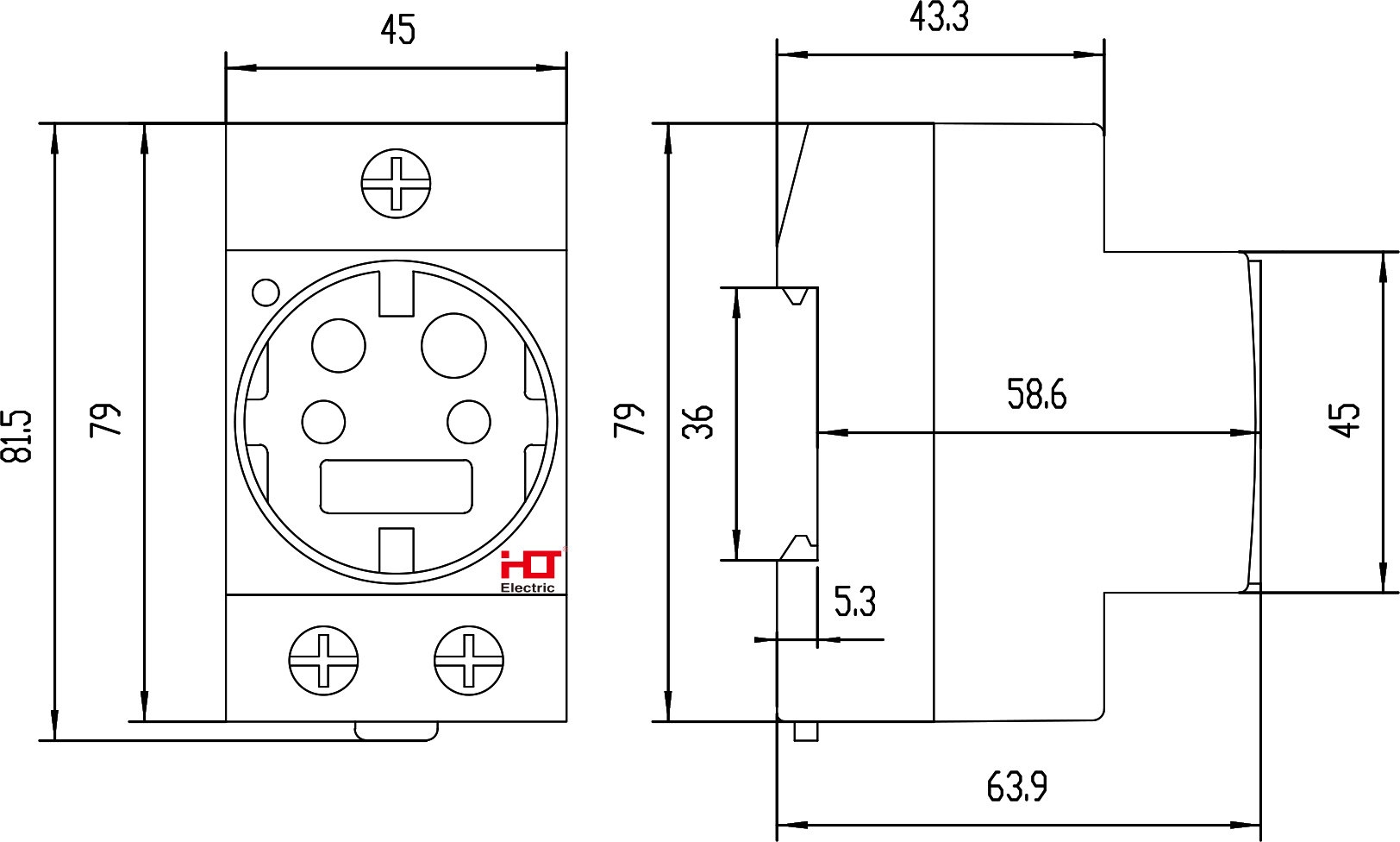
| Глубина установочная (встраив.) | 63.6 | EF000218 |
| Количество розеток | 1 | EF000336 |
| Количество активных контактов (круглых) | 2 | EF011998 |
| Количество активных контактов (плоских) | 0 | EF011999 |
| Защитный круглый контакт (штырь) заземления | Да | EF012000 |
| С контрольной лампой | Нет | EF005055 |
| С откидной крышкой | Да | EF000117 |
| Степень защиты | IP20 | EF005474 |
| Рабочая температура окружающей среды °C | -25°C до +50°C |
Потребительская упаковка
| Единица | шт. |
| Количество в потребительской упаковке | 1 |
| Штрих-код EAN-13 | 4650358705025 |
| Длина потребительской упаковки, см | |
| Ширина потребительской упаковки, см | |
| Высота потребительской упаковки, см | |
| Вес брутто потребительской упаковки, кг | |
| Объём потребительской упаковки, куб.м |
Транспортная упаковка
| Количество в транспортной упаковке | 100 |
| Тип транспортной упаковки | картонная коробка |
| Штрих-код ITF-14 | 14650358705022 |
| Длина транспортной упаковки, см | 44 |
| Ширина транспортной упаковки, см | 33 |
| Высота транспортной упаковки, см | 25 |
| Вес брутто транспортной упаковки, кг | 10.5 |
| Объём транспортной упаковки, куб.м | 0.036 |









